สถิตอยู่ในใจตราบนิรันดร์
น้อมสำนึกในพระมหากรุณาธิคุณอันหาที่สุดมิได้
ปั๊มน้ำหอยโข่งสแตนเลสใบพัดกึ่งเปิด LEO รุ่น ABK Series (Semi Open Impeller Stainless Steel Centrifugal Pump) ออกแบบมาสำหรับงานสูบของเหลวที่มีสิ่งเจือปนขนาดเล็ก เหมาะกับการใช้งานในภาคอุตสาหกรรม เช่น ระบบผลิตอาหารและเครื่องดื่ม ระบบชะล้าง ผลิตภัณฑ์เคมีที่ไม่กัดกร่อน หรือของเหลวที่ต้องการความสะอาดในระดับสูง
฿0
ปั๊มน้ำหอยโข่งสแตนเลสใบพัดกึ่งเปิด LEO รุ่น ABK Series เป็นปั๊มหอยโข่งแนวนอนแบบใบพัดกึ่งเปิด มาพร้อมมอเตอร์ไฟฟ้าในตัว เหมาะสำหรับสูบน้ำสะอาด ของเหลวที่มีความหนืดต่ำถึงปานกลาง หรือของเหลวที่มีตะกอนขนาดเล็กไม่เกินกำหนด เช่น น้ำเสียอุตสาหกรรม น้ำล้าง หรือของเหลวในสายการผลิตอาหาร มีประสิทธิภาพสูง แข็งแรง ทนทาน และให้แรงดันสม่ำเสมอเหมาะกับการใช้งานต่อเนื่อง
| คุณสมบัติ | รายละเอียด |
|---|---|
| วัสดุตัวปั๊ม | สแตนเลส AISI 304 |
| วัสดุเพลา | สแตนเลส AISI 304 |
| ใบพัด | แบบกึ่งเปิด (Semi Open Impeller) |
| อุณหภูมิน้ำใช้งาน | -15°C ถึง +80°C |
| อุณหภูมิโดยรอบ | สูงสุด +40°C |
| ค่า pH ของของเหลว | 5 – 9 |
| ฉนวนมอเตอร์ | Class F |
| ระดับการป้องกัน | IPX4 |
| MODEL | POWER | Q (m³/h) | 1.2 | 2.4 | 3.6 | 4.8 | 6 | 12 | 18 | 24 | 33 | 42 | 48 | 57 | 66 | Impeller passage (mm) | ||
| Single Phase | Three Phase | kW | HP | Q (l/min) | 20 | 40 | 60 | 80 | 100 | 200 | 300 | 400 | 550 | 700 | 800 | 950 | 1100 | |
| ABK50D | ABK50D | 0.37 | 0.5 | H (m) |
11.6 | 10.5 | 9.7 | 8.7 | 7.5 | – | – | – | – | – | – | – | – | 9 |
| ABK100D | ABK100 | 0.75 | 1 | – | – | – | – | 8 | 7 | 5 | – | – | – | – | – | – | 12 | |
| ABK120D | ABK120 | 0.9 | 1.2 | – | – | – | – | 11 | 10 | 9 | – | – | – | – | – | – | 12 | |
| ABK150D | ABK150 | 1.1 | 1.5 | – | – | – | – | 9.5 | 8.8 | 7.8 | 6.7 | 6.7 | – | – | – | – | 12 | |
| ABK200D | ABK200 | 1.5 | 2 | – | – | – | – | 12.7 | 12 | 11.2 | 10 | 8.3 | 6.5 | – | – | – | 16 | |
| ABK300D | ABK300 | 2.2 | 3 | – | – | – | – | 15 | 14 | 13.5 | 12.7 | 11.2 | 9.8 | 8.9 | 7.5 | – | 16 | |
| – | ABK400 | 3 | 4 | – | – | – | – | 17.5 | 16.8 | 16 | 15.2 | 14 | 12.5 | 11.5 | 9.7 | 7.5 | 19 | |
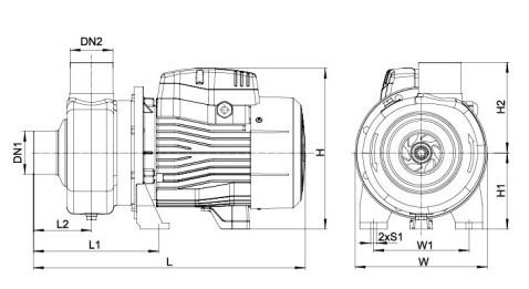
| Model | Port | L (mm) |
L₁ (mm) |
L₂ (mm) |
H (mm) |
H₁ (mm) |
H₂ (mm) |
W (mm) |
W₁ (mm) |
S₂ (mm) |
|
| DN1 | DN2 | ||||||||||
| ABK50(D) | 1¼” | 1″ | 280 | 123 | 50 | 180 | 90 | 106 | 170 | 105 | 9 |
| ABK100(D) | 1½” | 1½” | 332 | 160 | 76 | 212 | 100 | 118 | 170 | 120 | 9 |
| ABK120(D) | 1½” | 1½” | 332 | 160 | 76 | 212 | 100 | 118 | 170 | 120 | 9 |
| ABK150(D) | 2″ | 2″ | 400 | 184 | 85 | 235 | 112 | 133 | 195 | 140 | 9 |
| ABK200(D) | 2″ | 2″ | 400 | 184 | 85 | 235 | 112 | 133 | 195 | 140 | 9 |
| ABK300(D) | 2½” | 2″ | 450 | 184 | 85 | 252 | 117 | 133 | 195 | 140 | 9 |
| ABK400(D) | 2½” | 2″ | 450 | 184 | 85 | 252 | 117 | 133 | 195 | 140 | 9 |




ToolSheep : บริการจำหน่ายเครื่องมือ เครื่องจักร และสินค้าอุตสาหกรรม ของแท้ ในราคาพิเศษ
สภาพอาจมีตำหนิในบางจุด แต่!! ไม่มีผลต่อการใช้งาน
☏ สอบถามรายละเอียดสินค้า และสั่งซื้อ
เวลาทำการ : วันจันทร์ – วันศุกร์ (เวลา 08.30 – 17.30 น.)
*นอกวันและเวลาทำการ ทางร้านจะติดต่อกลับในวันทำการถัดไป
โทร : 092-223-8984
Line ID : @toolsheep
Facebook : www.facebook.com/toolsheep/
Website : www.toolsheep.com