
สถิตอยู่ในใจตราบนิรันดร์
น้อมสำนึกในพระมหากรุณาธิคุณอันหาที่สุดมิได้
ปั๊มหอยโข่ง SIGMA รุ่น LV Series เหมาะสำหรับการใช้งานในระบบน้ำดื่มและน้ำบริการ โดยสามารถใช้งานได้ในอุณหภูมิสูงถึง 80°C โดยไม่มีสิ่งเจือปน ใช้ในสถานีสูบน้ำ, ระบบดับเพลิง, และระบบชลประทาน
ติดต่อขอราคา
ใช้แอป LINE สแกน QR Code นี้
เพื่อส่งข้อความหาสินค้ารุ่นนี้อัตโนมัติ
ปั๊มชนิดนี้มีการออกแบบเป็นแบบหลายขั้นตอน ใช้ใบพัดแบบระยะรัศมีและแกนแนวนอน ตัวปั๊มประกอบด้วยโรเตอร์และสเตเตอร์ที่มีแบริ่งและกล่องบรรจุวัสดุ (Stuffing box) โดยมีการประกอบตัวสเตเตอร์จากกรอบปั๊มที่ใช้ปะเก็นยางและยึดด้วยสลักเกลียวที่อยู่นอกตัวปั๊ม ปั๊มนี้ยังมีการออกแบบโรเตอร์ที่สมดุลแบบสถิตเพื่อให้การทำงานราบรื่นและมีประสิทธิภาพ
| Type of the pump | Number of stages | Flow capacity Q [l.S1] | Delivery Head H [m] | Power Input of pump PI [kW] | Speeds n [R.P.M.] | Flanges suction ON/PN | discharge DN/PN | Weight Range 1 m [kg] |
|---|---|---|---|---|---|---|---|---|
| L-VA4-D | *3 | 10 13,3 |
28 23 |
4,4 5,2 |
1450 | 80/10 | 80/10 | 83 |
| 3 | 10 13,3 |
42 35 |
6,6 7,8 |
104 | ||||
| 4 | 10 13,3 |
56 46 |
8,8 10,4 |
125 | ||||
| 5 | 10 13,3 |
70 58 |
11 13 |
146 | ||||
| 6 | 10 13,3 |
83 70 |
13,2 15,6 |
169 | ||||
| 7 | 10 13,3 |
97 81 |
15,4 18,2 |
188 | ||||
| L-VN4-D | *3 | 11,7 14,2 16,5 |
28 26 23 |
5,1 5,7 6,1 |
1450 | 100/10 | 100/16 | 83 |
| 3 | 11,7 14,2 16,5 |
42 39 35 |
7,7 8,6 9,2 |
104 | ||||
| 4 | 11,7 14,2 16,5 |
56 52 46 |
10,2 11,4 12,2 |
125 | ||||
| 5 | 11,7 14,2 16,5 |
70 65 58 |
12,8 14,3 15,3 |
146 | ||||
| 6 | 11,7 14,2 16,5 |
84 78 69 |
15,3 17,1 18,3 |
167 | ||||
| 7 | 11,7 14,2 16,5 |
98 91 81 |
17,9 20 21,4 |
188 | ||||
| 8 | 11,7 14,2 16,5 |
108 100 90 |
20,4 22,6 23,8 |
209 | ||||
| L-VN5-D-01 | 2 | 25 33,5 |
49 42 |
16 19,2 |
1450 | 125/10 | 125/10 | 190 |
| 3 | 25 33,5 |
73 63 |
24 28,8 |
230 | ||||
| 4 | 25 33,5 |
98 84 |
32 38,4 |
270 |
Output of electric motor ( engine) must be higher about 15-20% than the power input stated in the table.
*This means the pump with one blank stage for occasional applications only.
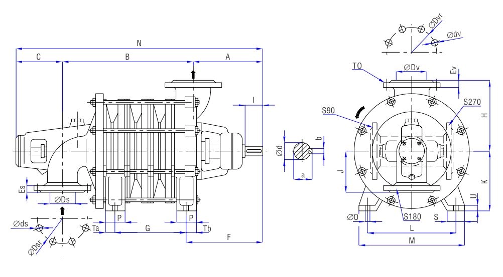
| TYPE | ST. | A | B | C | Dv | Dvr | dv | Ev | Ds | Dsr | ds | Es | F | G | H | J | K | L | M | N | O | P | R | S | Ta | Tb | U | a | b | d | I | ||
| DN | PN | DN | PN | ||||||||||||||||||||||||||||||
| L-VA-4-D | 3 | 250 | 350 | 145 | 80 | 10 | 160 | 4×18 | 22 | 80 | 10 | 160 | 4×18 | 22 | 330 | 70 | 220 | 130 | 180 | 280 | 320 | 745 | 14 | 65 | 65 | 50 | 40 | 25 | 20 | 38,3 | 10 | 35 | 62 |
| 4 | 420 | 140 | 815 | ||||||||||||||||||||||||||||||
| 5 | 490 | 210 | 885 | ||||||||||||||||||||||||||||||
| 6 | 560 | 280 | 955 | ||||||||||||||||||||||||||||||
| 7 | 630 | 350 | 1025 | ||||||||||||||||||||||||||||||
| L-VN-4-D | 3 | 350 | 100 | 10 | 180 | 8×18 | 100 | 10 | 180 | 8×18 | 70 | 745 | |||||||||||||||||||||
| 4 | 420 | 140 | 815 | ||||||||||||||||||||||||||||||
| 5 | 490 | 210 | 885 | ||||||||||||||||||||||||||||||
| 6 | 560 | 280 | 955 | ||||||||||||||||||||||||||||||
| 7 | 630 | 350 | 1025 | ||||||||||||||||||||||||||||||
| 8 | 700 | 420 | 1095 | ||||||||||||||||||||||||||||||
| L-VN-5-D | 2 | 284 | 357 | 198 | 125 | 10 | 210 | 8×18 | 24 | 125 | 10 | 210 | 8×18 | 24 | 313,5 | 100 | 300 | 175 | 250 | 380 | 450 | 839 | 18 | 90 | 85 | 75 | 45 | 42,5 | 20 | 43,1 | 12 | 40 | 70 |
| 3 | 457 | 200 | 939 | ||||||||||||||||||||||||||||||
| 4 | 557 | 300 | 1039 | ||||||||||||||||||||||||||||||



