สถิตอยู่ในใจตราบนิรันดร์
น้อมสำนึกในพระมหากรุณาธิคุณอันหาที่สุดมิได้
ปั๊มน้ำหอยโข่ง VENZ รุ่น VJ Series (Self-Priming) ปั๊มหอยโข่งดูดเอง เหมาะสำหรับงานจ่ายน้ำในบ้าน–อาคารและระบบแรงดันอัตโนมัติให้แรงดันสูง ใช้งานง่าย ทนทาน และดูดน้ำได้แม้มีอากาศปนเล็กน้อย
฿0
ปั๊มน้ำหอยโข่ง VENZ รุ่น VJ Series (Self Priming) เป็นปั๊มหอยโข่งแบบดูดเอง (Self-Priming) สำหรับงานจ่ายน้ำทั่วไปและต่อร่วม กับถังแรงดัน/ถังไดอะแฟรมเพื่อทำระบบเพิ่มแรงดันอัตโนมัติ มอเตอร์ลวดทองแดง 100% ฉนวน Class F และ ระดับป้องกัน IP55 โครงปั๊มเหล็กหล่อเคลือบกันสนิม ใบพัดทองเหลือง เพลา AISI 304 ใช้งานต่อเนื่องได้ดีช่วงการทำงานโดยทั่วไป: อัตราการไหลประมาณ 10–60 ลิตร/นาที ส่งสูงประมาณ 48–10 เมตร (ขึ้นกับรุ่นย่อยและจุดทำงาน)
| TYPE | กำลังมอเตอร์ P2 | ระบบไฟฟ้า P1 (kw) | กระแสไฟฟ้า (Ampere) | ขนาดท่อ เข้า x ออก (Inlet x Outlet) (นิ้ว / Inch) |
Capacity (Q) = ปริมาณนํ้า | ||||||||||||||||
| m³/h | 0 | 0.6 | 1.2 | 1.8 | 2.4 | 3 | 3.6 | 4.2 | 5.4 | 6.6 | 7.8 | 8.4 | |||||||||
| 1~ | 3~ | l/min | 0 | 10 | 20 | 30 | 40 | 50 | 60 | 70 | 90 | 110 | 130 | 140 | |||||||
| Single Phase | Three Phase | HP | kW | 1~ | 3~ | 220v | 380v | Head (H) = ระดับส่งสูง (เมตร) | |||||||||||||
| VJ 100 | VJ 100 T | 1 | 0.74 | 5.4 | 2.4 | 4.7 | 2.3 | 1″x1″ | – | 5.2 | 47 | 42 | 37 | 32 | 27 | – | – | – | – | – | – |
| VJ 150 | VJ 150 T | 1.5 | 1.1 | 10.2 | 4.1 | 7.9 | 3.3 | 1.5″x1.5″ | – | 61 | 58 | 56.5 | 54 | 50 | 48 | 46 | 41 | 32 | 20 | – | |
| VJ 200 | VJ 200 T | 2.2 | 1.5 | 11.5 | 4.8 | 10.3 | 3.9 | 1.5″x1.5″ | – | 62.5 | 61 | 59.5 | 58 | 56 | 54 | 51 | 49 | 42.5 | 40 | – | – |

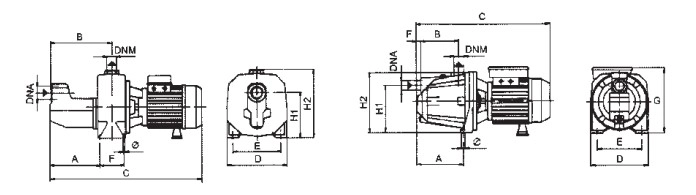
| TYPE | DIMENSION (mm.) | Packing (mm.) | Weight | |||||||||||||
| A | B | C | D | E | F | G | Ø | H1 | H2 | DNA | DNM | N | L | M | Kg. | |
| VJ 100 | 225 | 122 | 415 | 180 | 140 | 15 | 200 | 9.5 | 152 | 185 | 1″G | 1″ G | 240 | 430 | 200 | 16 |
| VJ 150 | 205 | 227 | 560 | 220 | 177 | 90 | – | 9.5 | 162 | 250 | 1″1/2G | 1″ G | 280 | 570 | 230 | 27 |
| VJ 200 | 205 | 227 | 560 | 220 | 177 | 90 | – | 9.5 | 162 | 250 | 1″1/2G | 1″ G | 280 | 570 | 230 | 28 |




ToolSheep : บริการจำหน่ายเครื่องมือ เครื่องจักร และสินค้าอุตสาหกรรม ของแท้ ในราคาพิเศษ
สภาพอาจมีตำหนิในบางจุด แต่!! ไม่มีผลต่อการใช้งาน
☏ สอบถามรายละเอียดสินค้า และสั่งซื้อ
เวลาทำการ : วันจันทร์ – วันศุกร์ (เวลา 08.30 – 17.30 น.)
*นอกวันและเวลาทำการ ทางร้านจะติดต่อกลับในวันทำการถัดไป
โทร : 092-223-8984
Line ID : @toolsheep
Facebook : www.facebook.com/toolsheep/
Website : www.toolsheep.com